当前位置:
专题专栏
>
涉企行政检查公示专栏
>
检查文书
>
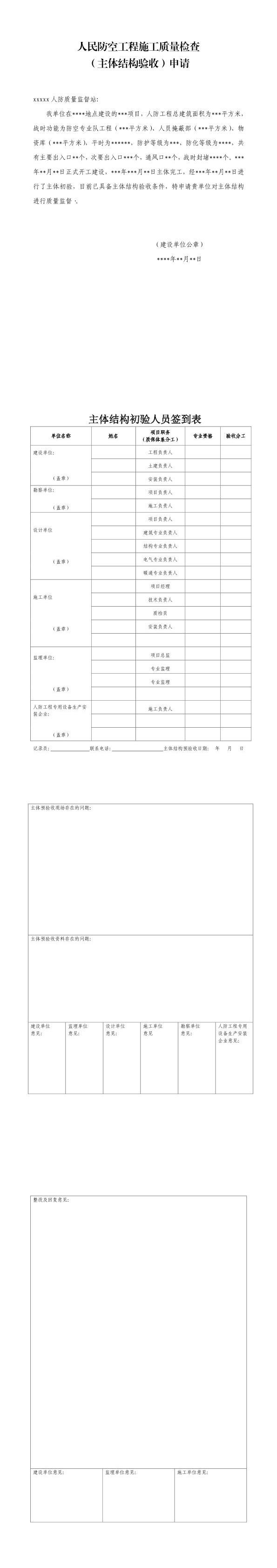
人民防空工程施工质量检查 (主体结构验收)申请
来源: 周口市国防动员办公室
时间: 2026-01-27 10:48:38
访问量:
0
字体大小[
大
中
小
]
打印
分享:
人民防空工程施工质量检查 (主体结构验收)申请.pdf
责任编辑:周口市国防动员办公室管理员